
Our Eccles Muff Couplings are designed and manufactured by Galvin Machined Castings (GMC) to be Australia’s toughest mining hose coupling. The muff couplings fit leading brands of smooth material handling hose. It is ideal for mining applications and in the harshest environments.
Robust and sturdy, the Eccles muff coupling is trusted to perform on Australian and International mine sites.
Features
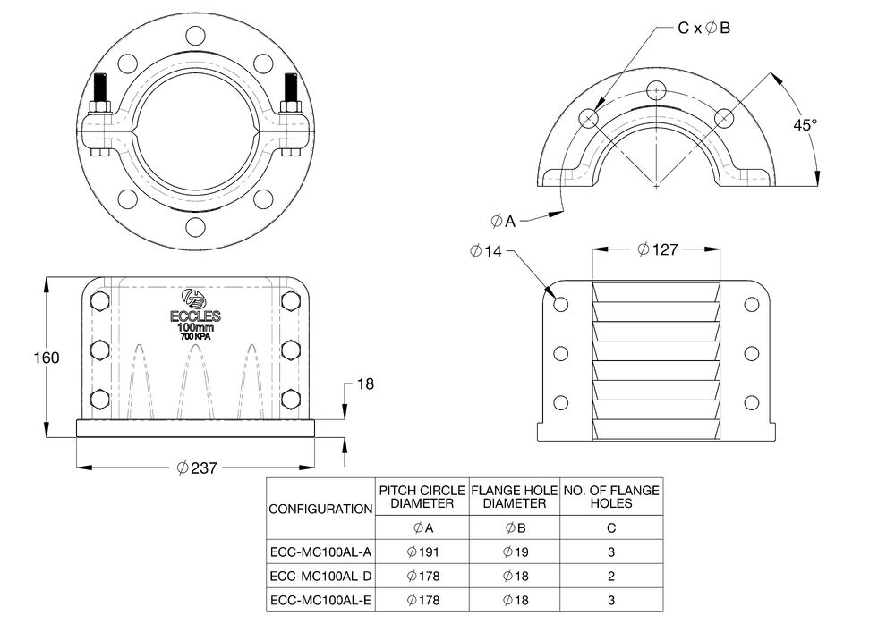
Available in the following drill patterns:
Flange Specification
Note: Drilled holes have a +/-1.0 tolerance
A | B | C | D | E | F | G | H | I | J | ||
Item Code | Table | Flange OD | Hose OD | Coupling Length | Flange Thickness | Bolt Hole Size | No. of Bolt Holes | No. of Flange Holes | Flange Holes PCD | Flange Holes Size | Flange Holes Angle |
ECC-MC100AL-A | ANSI 150 | 237 | 125-129 | 160 | 18 | 14 | 6 | 3 | 191 ±0.2 | 19 | 45 |
ECC-MC100AL-D | D | 237 | 125-129 | 160 | 18 | 14 | 6 | 2 | 178 ±0.2 | 18 | 45 |
ECC-MC100AL-E | E | 237 | 125-129 | 160 | 18 | 14 | 6 | 3 | 178 ±0.2 | 18 | 45 |
We are ISO 14001 certified and take sustainability seriously. Our products are environmentally responsible designed to be healthier for users, save water and/or energy, and minimise carbon footprint. Our target is to reduce our carbon footprint by 25%, and the use of non-recyclable/non-compostable materials across the company (e.g. plastics) by 50%.
Galvin Engineering products are covered under our Manufacturer's Warranty. Galvin Engineering products must be installed in accordance with the installation instructions and in accordance with AS 3500 and NCC Volume Three, relevant Australian Standards and local authorities applicable to product being installed. Water and electrical supply conditions must also comply to the applicable national and/or state standards, failing to comply with these provisions may void the product warranty and affect performance of the product.
Please visit www.galvinengineering.com.au to view the full warranty, our Installation Compliance and Maintenance & Cleaning information as well as any other additional information.
While all reasonable care has been taken in compiling the information in this document, the designs, dimensions and products shown are indicative only and should not be relied upon without our prior approval. Due to our policy of continuous development, we reserve the right to alter any details of specifications or products without notice. All information, drawings, technical specifications and product designs remain the property of Galvin Engineering Pty Ltd.