Skip to main content

Video

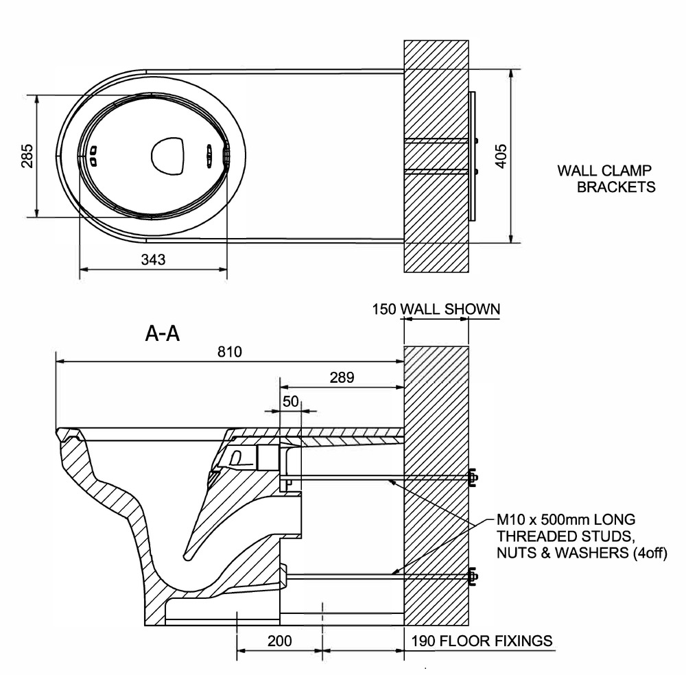
Specification Data Sheet

Our range of Wallgate ligature- and vandal resistant solid surface toilets are available in a range of sizes and seat configurations. All are made as one piece and from the highest grade solid surface material.

Wallgate is the market leader and specialist in the design and manufacture of robust, innovative and efficient washrooms and sanitaryware solutions, ideal for the Health, Mental Health, Dementia and Corrections sector.

Includes

  • Wallgate Ligature Resistant Solid Surface Accessible Pan with Grey Integrated Seat 
  • Wallgate S Trap Convertor for Shrouded Pans
  • Wallgate Pan Rear Fixing Kit

Features

  • Ligature resistant design
  • Vandal resistant design 
  • Highly robust which prevents breakages (suitable for bariatric bathrooms)
  • Shrouded waste (S and P trap compatible)
  • Concealed through-wall services and fixings
  • WC pan made as one piece without joins
  • Highly polished finish for ease of cleaning
  • Easily renewable surface without a gel coat layer
  • Domestic appearance that assists in normalising the environment
  • Range of activation and control options available
  • AS 1428.1 accessible compliant when installed following AS 1428.1 guidelines
  • Rear fixed installation (front fixed option available on request)

Technical Information

  • WELS: 4 Star Rating (3.5L/min)
  • Nominal Average Flush (LPM): 3.5
  • Full Flush (LPM): 4.5
  • Half Flush (LPM): 3.0
  • WaterMark: AS/NZS 1172.1 Lic. 023109

Click here to download combined Installation Instruction for CWC-155W-AST-BCA + SCPK01-PB-CIST19 + 656550

Applications

  • Secure Environments
  • Mental Health
  • Police & Remand Centres
  • Public Washrooms and Areas prone to vandalism

Optional Extras

Alternative Product Options

  • CWC-155FF-STJ-BC Wallgate Ligature Resistant S/Surface Accessible Pan S&P with Grey Integ Seat 460x810mm - Front Fixed

Environmental Sustainability

We are ISO 14001 certified and take sustainability seriously. Our products are environmentally responsible designed to be healthier for users, save water and/or energy, and minimise carbon footprint. Our target is to reduce our carbon footprint by 25%, and the use of non-recyclable/non-compostable materials across the company (e.g. plastics) by 50%.

Warranty

Galvin Engineering products are covered under our Manufacturer's Warranty. Galvin Engineering products must be installed in accordance with the installation instructions and in accordance with AS 3500 and NCC Volume Three, relevant Australian Standards and local authorities applicable to product being installed. Water and electrical supply conditions must also comply to the applicable national and/or state standards, failing to comply with these provisions may void the product warranty and affect performance of the product.

Please visit www.galvinengineering.com.au to view the full warranty, our Installation Compliance and Maintenance & Cleaning information as well as any other additional information.

While all reasonable care has been taken in compiling the information in this document, the designs, dimensions and products shown are indicative only and should not be relied upon without our prior approval. Due to our policy of continuous development, we reserve the right to alter any details of specifications or products without notice. All information, drawings, technical specifications and product designs remain the property of Galvin Engineering Pty Ltd.

Can be installed to comply to AS 1428.1 Design for Access and Mobility requirements. Important: strict adherence to AS 1428.1 installation guidelines is required to meet compliance standards.

Galvin Engineering offers a range of ligature resistant, anti-ligature, vandal resistant, and anti-vandal products designed to reduce the risk of self-harm, suicide, or vandalism, but we cannot offer any guarantee that these events will not take place. Therefore, it is important to understand that installation of these products will not eliminate all risks.

When we use the terms ligature resistant and/or anti-ligature about our products, it means that we have designed and tested these products to reduce the risk of that product being used as a ligature attachment point. They will not protect or prevent injury when the risks were unknown to us at the time of the design of the products. They are not a replacement for professionals who are trained in the proper evaluation, management, and supervision of persons at risk of self-harm or suicide.

When we use the terms vandal resistant and/or anti-vandal about our products, it means that we have designed and tested these products to reduce the risk of that product being vandalised. They will not protect or prevent damage when the risks were unknown to us at the time of the design of the products.

Galvin Engineering recommends that designers, installers, facility managers, and anyone intending to rely on or use any products displayed in our literature or on our website, satisfy themselves about the suitability of the products for their intended use in the building design, and ensure they are being installed, used, and maintained in accordance with our instructions. Facility managers, clinicians, and carers need to ensure that reasonable steps are taken to reduce the accessibility of unnecessary ligatures to at-risk patients, confirm that adequate risk mitigation controls are in place, and make sure that applicable health, safety and patient care standards are being met.

Galvin Engineering makes no express or implied warranties regarding the ability of the product to prevent death or injury, to resist all ligature attachment, or to prevent vandalism. No responsibility is assumed by Galvin Engineering for any incidental or consequential damages resulting from the use of any products sold by Galvin Engineering. To the fullest extent permitted by law, Galvin Engineering excludes all liability for damage or injury to any person, damage to any property, and any indirect consequential claims, loss or damage.